TI C2000系列TMS320F2837xD开发板硬件规格参数说明书(下)
2024年07月09日 13:00 发布者:Tronlong--
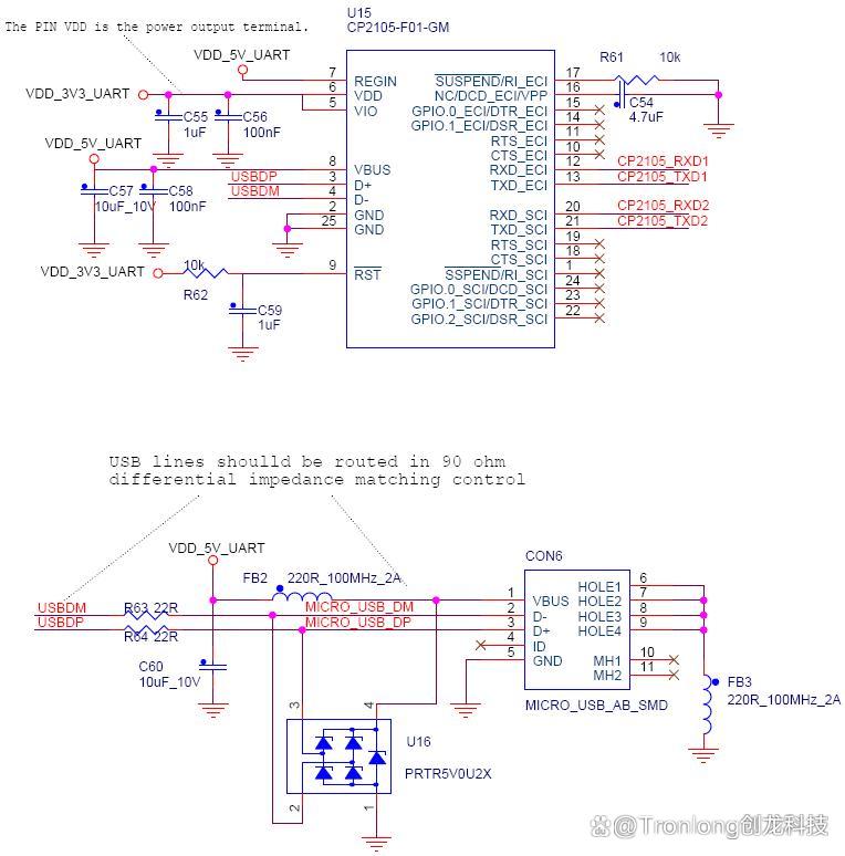
串口USB TO SCIA串口CON6(USB TO SCIA)为DSP、FPGA二合一调试串口,由同一个Micro USB接口引出。
评估底板通过CP2105芯片将DSP端的SCIRXDA、SCITXDA信号转成Micro USB接口,作为DSP端系统调试串口使用。通过同一个CP2105芯片将FPGA端IO转成Micro USB接口,作为FPGA端调试串口使用。

图 30

图 31
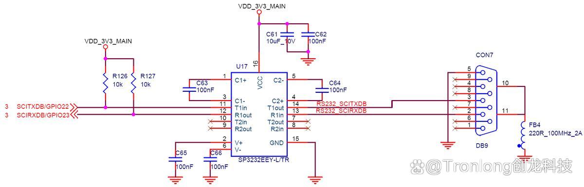
RS232 SCIB串口
CON7为DSP端RS232接口,评估底板通过SP3232EEY串口电平转换芯片将DSP端的SCIRXDB、SCITXDB信号转换为RS232串口,接口使用9针DB9接口。

图 32

图 33
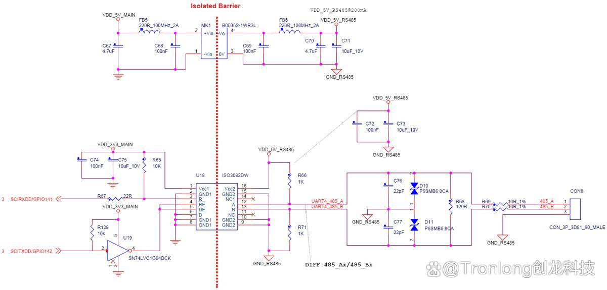
RS485 SCID串口CON8为DSP端RS485接口,评估底板通过隔离收发器ISO3082DW,将DSP端的SCIRXDD、SCITXDD信号转换为RS485串口,接口使用3pin 3.81mm绿色端子方式。

图 34

图 35
EEPROM
U8为板载EEPROM芯片,容量为2Kbit,连接至I2C总线,I2C设备地址为0x50。

图 36

图 37
USB接口
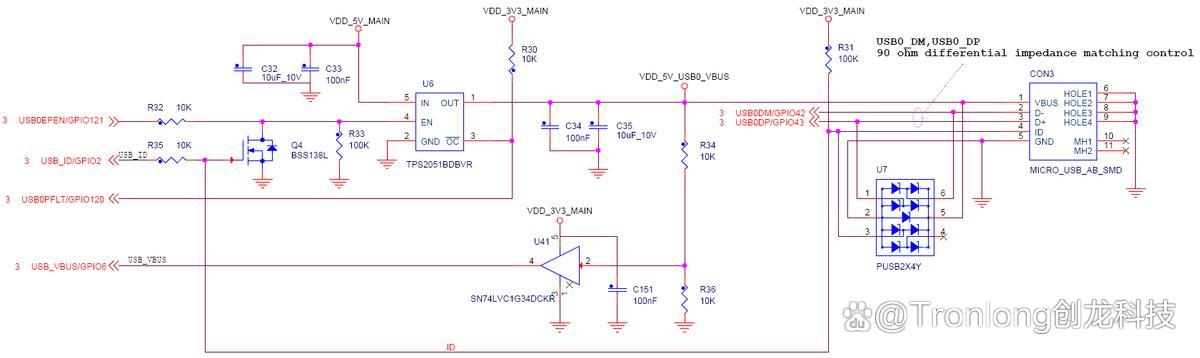
CON3为USB 2.0 OTG接口,直接由USB0总线(USB 2.0)引出。

图 38

图 39
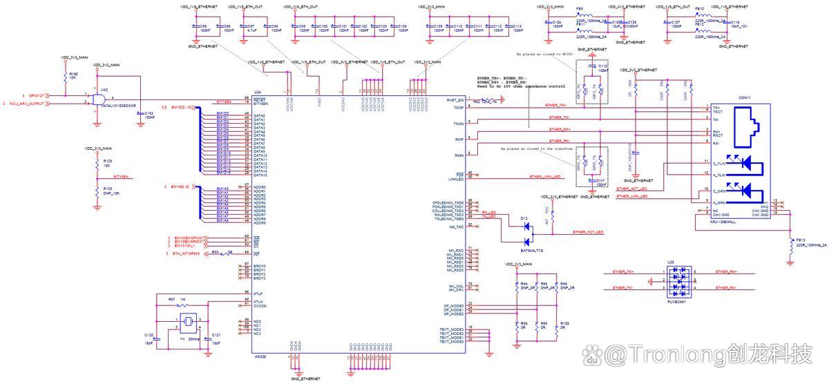
Ethernet接口
CON11(10/100 ETH)为DSP端百兆网口。TMS320F2837xD通过EMIF1总线连接W5300网卡(内部集成MAC和PHY),由RJ45连接器引出百兆网口,RJ45连接器已内置隔离变压器。

图 40

图 41
设计注意事项:
XTLP、XTLN引脚接入25MHz无源晶振。为便于晶振起振,XTLP、XTLN之间可增加并联1MΩ电阻。推荐采用DSP端XRS + GPIO控制电路方案连接W5300网卡RESET引脚进行复位控制。

图 42
W5300网卡使用DSP端的EMIF1信号,包括片选信号EM1CS2n_1、写使能信号EM1WEn/GPIO31、读使能信号EM1OEn/GPIO37、地址总线EM1A、16位数据总线EM1D。W5300的中断请求管脚连接DSP的ETH_INT/GPIO9,该GPIO配置为外部中断输入,通过EMIF1总线与W5300网卡进行数据通信。

图 43
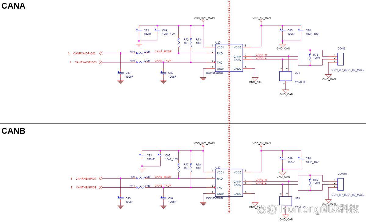
CAN接口
CON9为DSP端CANA接口,CON10为DSP端CANB接口,分别由DSP的CANA、CANB总线引出,采用3pin 3.81mm绿色端子方式。

图 44

图 45
AD/DA接口
J1为AD/DA接口,2x 15pin规格,间距2.54mm。

图 46

图 47
设计注意事项:
ADC支持12路差分(16bit,1.1MSPS)或24路单端输入(12bit,3.5MSPS),电压输入范围为0 ~ 3.3V。
备注:ADC的输入范围取决与VREFLO和VREFHI的值,VREFLO在核心板内部已接地,VREFHI接3V参考电压。

图 48
DAC支持3路12bit DAC输出,电压输出范围为0.3V ~ 3V。
备注:DAC电压输出范围为0.3V ~ (VDDA – 0.3V),VDDA在核心板内部已接3.3V电源。

图 49
使用AD输入功能时,建议参考评估底板设计,保留R-C滤波电路。
拓展IO信号接口
J2通过排针引出DSP端的ePWM/GPIO等拓展信号,2x 15pin规格,间距2.54mm。

图 50

图 51
J3通过排针引出DSP端的eQEP/McBSP/GPIO等拓展信号,2x 10pin规格,间距2.54mm。

图 52

图53CON12、CON13为欧式公座连接器,48pin规格,引出FPGA端的IO拓展信号。

图 54

图 55

图 56
CON14为IDC3简易牛角座,2x 25pin规格,引出FPGA端的IO拓展信号。

图 57

图 58
设计注意事项:
如需使用扩展接口中DSP端的EMIF1引脚接外部器件,建议在EMIF1及外部器件之间串接缓冲器电路,并通过EMIF1的片选信号或其他IO控制缓冲器使能,避免外部器件影响核心板内与EMIF1连接的SRAM、FPGA的读写功能。
